
CJB 型側入式攪拌機俗稱穿墻攪拌機廣泛應用于化工、水處理、食品、纖維、造紙、石油等行業的工藝過程的攪拌階段,作用如下:使互溶液體混合均勻;使固體粒子在液相中溶解、離底懸浮或均勻懸??;使不相溶的另一液相均勻懸浮或充分乳化;強化相間的傳質(如吸收等);強化傳熱等攪拌含有懸浮物的液體;污水、廢水、污泥水的混合和均勻;稠化過程;污泥脫水過程;污水池清潔;防止顆粒在池壁和池底的凝結、沉淀;創建水流等。
構造及工作過程:
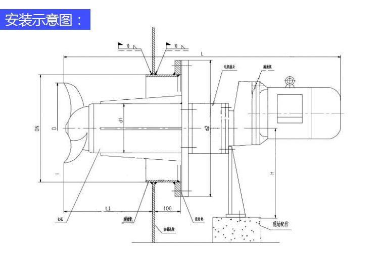
CJB 型側入式攪拌機由驅動裝置、機架、攪拌軸、槳葉、聯軸器、導流裝置等組成。根據密封方式可分為:A 型:帶有機械密封,B 型:不帶密封,C 型:其它密封方式,可適用于不同密封要求的場合。根據安裝方式可分為立式和臥式兩種,方便根據現場工藝條件選擇安裝方式。驅動裝置采用普通電機或防爆電機直接或間接通過圓柱齒輪、擺線針輪減速機的驅動裝置主軸,通過聯軸器與攪拌軸聯接。攪拌軸由雙向推力軸承和水潤滑滑動軸承支承,具有足夠的強度和剛度,并具有較高的穩定性。
使用條件:
本系列攪拌機可在下列條件下正常連續運行:
1、連續運行時,介質溫度-10~100℃;
2、介質 PH 值為 6-9。
3、介質密度不超過 1150kg/m3;
4 、葉輪長期潛水運行,潛水深度一般不超過 20m。








咨詢:側入式攪拌機均勻高效穿墻攪拌器側進式攪拌機
* 為必填項